If you want to know about the arrangements for various plumbing fixtures or toilet design or piping system for soil and waste drainage, please click the link.
The arrangement of various plumbing fixtures in a toilet is an important aspect of toilet design and layout planning. The National Building Code (NBC) of India provides guidelines for the arrangement of plumbing fixtures in toilets, taking into account the needs and comfort of users, as well as safety and health considerations.
Typical mounting arrangements for various plumbing fixtures, including drainage system and ventilation.
Some of the key guidelines for the arrangement of plumbing fixtures in toilets as per the NBC of India are:
1) Wash basin
- It is of one-piece construction having a combined overflow and preferably should have soap holding recess or recesses that should properly drain into the bowl.
- Each basin shall have circular waste hole through which the liquid content of the basin shall drain.
i) Arrangement for rectangular wash basin

ii) Arrangement for Oval wash basin ( above counter )

iii) Arrangement for Oval wash basin ( below counter )

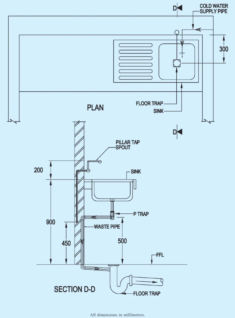
2) Sink
- It is used in kitchen and laboratory for the purpose of cleaning utensils/ apparatus and also serve the purpose of providing water for general usage. The sink may be made with or without overflow arrangement.
- The sink shall be of one-piece construction including combined over flow, where provided.
- The sink shall have a circular waste hole into which the interiors of the sink shall drain.
i) Arrangement for sink

3) Water closet ( WC. )
- It shall essentially consist of a closet consisting of a bowl to receive excretory matter, trap and a flushing apparatus.
- It is recommended to provide ablution tap adjacent to the water closet, preferably on right hand side wall.
- The various types/style of water closets may be:
- Squatting Indian type water closet,
- Washdown type water closet,
- Siphonic washdown type water closet, and
- Universal or Anglo-Indian water closet.
i) Arrangement for european water closet ( floor mounted with flush tank and S-Trap )

ii) Arrangement for european water closet ( wall hang with flush valve )

iii) Arrangement for european water closet ( wall hang with flushing cistern )

iv) Arrangement for orissa pan indian water closet

3) Urinal
- It is a soil appliance for urination and is connected to soil pipe after a suitable trap.
- Urinal should have adequate provision of flushing apparatus.
- The various types/style of urinal may be:
- Bowl type urinal: flat back or angle back.
- Slab (single) type urinal.
- Stall (single) type urinal.
- Squatting plate type urinal.
- Syphon jet urinal with integral trap.
- Water less (non-water) urinal
i) Arrangement for urinal

4) Bath tub/Shower
- Bath tub may be of enameled steel, cast iron, gel-coated, glass fibre reinforced plastic or may be cast in-situ.
- It shall be stable, comfortable, easy to get in and out, water tight, with anti-skid base, and easy to install and maintain.
- The bath tub shall be fitted with overflow and waste pipe of nominal diameter of not less than 32 mm and 40 mm, respectively.
i) Arrangement for shower

ii) Arrangement for bath tub/shower

iii) Arrangement for shower and electric water heater ( horizontal mounted type )

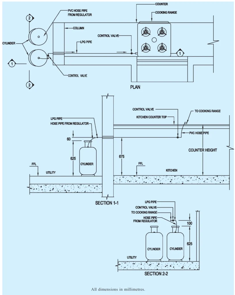
5) Other arrangements
i) Arrangement for washing machine

ii) Arrangement for LPG piping

In conclusion, the NBC of India provides comprehensive guidelines for the arrangement of plumbing fixtures in toilets, taking into account the needs and comfort of users, as well as safety and health considerations. These guidelines help ensure that plumbing fixtures are functional, accessible, and safe for use.
Thank you, this was helpfull
It is very interesting. Thank you so much, and keep the momentum!